Van Xả Khí Dùng Cho Solar
Thân bằng đồng. Mạ crom.
Phạm vi nhiệt độ làm việc: -20 - 360°F
Áp suất làm việc tối đa: 150 psi
Áp suất xả tối đa: 75 psi
-
Tài liệu kỹ thuật:
Giới thiệu về van xả khí dùng cho solar
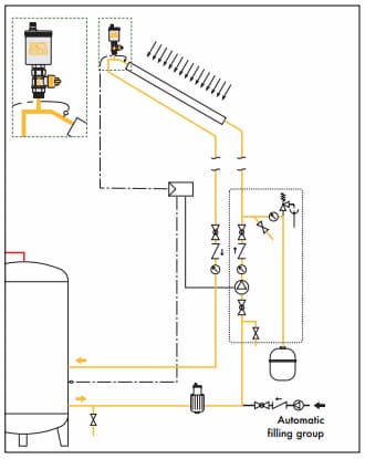
Van xả khí dùng cho solar cho phép không khí chứa trong chất lỏng được thoát ra tự động trong quá trình làm đầy, thông qua một van hoạt động bằng phao tiếp xúc với chất lỏng trong hệ thống. Van thường được lắp đặt trong các mạch kín của hệ thống sưởi năng lượng mặt trời và sử dụng kết hợp với các lỗ thông khí tự động để cô lập chúng sau khi làm đầy mạch của hệ thống sưởi năng lượng mặt trời. Các loạt sản phẩm này đã được chế tạo đặc biệt để hoạt động ở nhiệt độ cao với môi trường glycol.
Nguyên lý hoạt động của van xả khí dùng cho solar
Việc mở và đóng van là do chuyển động thẳng đứng (lên và xuống) của phao. Sự tích tụ của bọt khí trong thân van làm cho mực nước giảm xuống, trọng lượng phao tác động lên đòn bẩy, kéo cần gạt trên phao rơi xuống để lỗ thoát khí mở ra. Khi tất cả không khí được xả ra ngoài, nước di chuyển vào thân van sẽ đẩy phao lên, kết quả là đòn bẩy đẩy lên trên cửa chớp, đóng cửa xả và đảm bảo độ kín của van. Hiện tượng này xảy ra, và do đó van xả khí dùng cho solar hoạt động chính xác, miễn là áp suất nước vẫn dưới áp suất xả tối đa.

Nguyên lý hoạt động của van xả khí dùng cho solar
Ưu điểm vượt trội của van xả khí dùng cho solar
- Tuổi thọ cao
- Tiết kiệm năng lượng
- Bảo trì dễ dàng
- Chịu được nhiệt độ cao lên đến 180°C.
- Bảo vệ đường ống dẫn khỏi áp lực cao, tránh các sự cố khi vận hành
- Cách điện tuyệt đối nên có thể lắp đặt ngoài trời và đảm bảo an toàn cho người sử dụng
Mua van xả khí dùng cho solar tốt tại địa chỉ uy tín: Công ty Combitek
Công ty Combitek tự hào là một trong những nhà phân phối thiết bị nước của các thương hiệu hàng đầu thế giới tại thị trường Việt Nam như Kemper - Đức, Caleffi - Italia,... với hàng loạt sản phẩm chính hãng, chất lượng chuẩn quốc tế và giá thành hợp lý. Đến với Combitek, khách hàng còn được gặp gỡ đội ngũ chuyên gia, kỹ thuật viên giàu kinh nghiệm tư vấn và trực tiếp lắp đặt theo yêu cầu của từng công trình riêng, đảm bảo hiệu suất tối đa và tuổi thọ cao, tiết kiệm chi phí đầu tư.
CÔNG TY CỔ PHẦN CÔNG NGHỆ COMBITEK VIỆT NAM
Số điện thoại: 024 3212 7028
Website: https://www.combitek.com/
Địa chỉ: Tầng 6 tòa nhà số 59 phố Quang Trung, Phường Nguyễn Du, Quận Hai Bà Trưng, Thành phố Hà Nội, Việt Nam
Email: info@combitek.com; combitekvn@gmail.com